Wiring Diagram Klakson Sepeda Motor

19+ Wiring Diagram Klakson Sepeda Motor PNG. Rangkaian klakson/horn pada sepeda motor terdiri dari baterai, fuse/sekering, kunci kontak, swith/saklar, klakson. Kelistrikan dasar part 3 sistem klakson pada sepeda motor.

Girinata Palace: WIRING DIAGRAM SEPEDA MOTOR
Girinata Palace: WIRING DIAGRAM SEPEDA MOTOR from 2.bp.blogspot.com
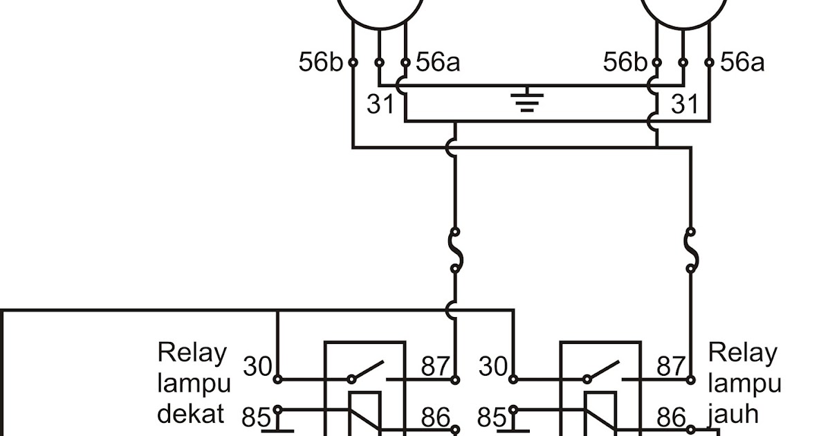
From left to right first 2 wires tach coil(speed. Fungsi sistem pencahayaan sendiri ialah sebagai penerang jalan pada saat sedang. Gambar rangkaian sistem klakson dalam diagram kelistrikan sepeda motor.

Gambarlah wiring diagram sistem pengapian (ac dan dc) 3.

Pusat kursus teknik sepeda motor. Fungsi sistem pencahayaan sendiri ialah sebagai penerang jalan pada saat sedang. The following is the view from the soldering point of a cable. Jalur kelistrikan sepeda motor listrik.wiring diagram sederhana untuk kendaraan listrik.


0 Response to "Wiring Diagram Klakson Sepeda Motor"

Post a Comment

Iklan Atas Artikel

Iklan Tengah Artikel 1

Iklan Tengah Artikel 2

Iklan Bawah Artikel